Есть определенные ограничения по применению паровых отопительных систем, однако, выбирая автономную систему отопления, многие люди склонны именно к паровой. А все потому, что для создания подобных систем требуются меньше денег и времени, однако в большинстве случаев человек должен изготавливать паровое отопление своими руками.
Преимущества и недостатки
Перед тем, как производить монтаж парового отопления, стоит узнать о его достоинствах и недостатках.
Плюсы:
- Небольшой размер.
- Стоит недорого.
- Радиатор нагреется в считанные минуты.
Минусы:
- Придется часто заменять трубы отопления.
- Плавная регулировка температурного режима невозможна.
- Установка сложна, требует опыта.
- Батареи отопления настолько горячие, что можно получить от контакта с ними ожог.
Схема отопительной системы
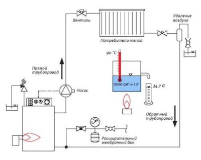
Если владелец дома думал-думал, да и решил все-таки установить паровое отопление своими рукам, то первое, что ему следует сделать – заняться составлением схемы будущего отопления. В ней обязательно нужно учесть, какова площадь помещения, из чего будут изготовлены все элементы системы. Также надо прикинуть, где будут стоять радиаторы, вентили, приборы контроля управления, будет ли стоять арматура (если да, где именно). Необходимо подобрать место для котла отопления.


Вариант схемы устройства
Паровое отопление бывает 2х типов: закрытое и открытое. Если применяется открытая система, то в ней между давлениями осадков и пара неизбежно возникнет разница, за счет чего конденсат и идет через систему. А вот в закрытой системе, вода будет накапливаться в баке, затем насос перекачает ее в котел.
Также отопление паром бывает централизованное или же автономное. Если дома находятся за городом или же они частные, то в основном выбор владельцев останавливается на автономной системе отопления. Чтобы устроить такую систему, берут приборы, генератор тепла (т.е. котел), трубопровод, и объединяют их в единое целое.
Выбор котла
Это наиважнейшая деталь, и не стоит об этом забывать. Нужно приобретать такой котел, на который есть сертификат, подтверждающий качество изделия, узнать его марку, технические характеристики. Вне зависимости от этого трубы используются из чугуна или металла. От площади отапливаемого помещения зависит, какова должна быть и мощность котла. К примеру, если площадь дома составляет 200 м2, то 25 кВт вполне хватит. 300 м2 потребуют уже 30 кВт.
Принцип, по которому работает система, довольно несложная:
- Вода поступает в котел.
- Там она подвергается нагреванию.
- Под воздействием высокой температуры вода становится паром.
- Давление вытесняет пар в магистраль.
- Происходит конденсация пара в воду.
- Полученная вода идет обратно – в котел.


Газовый котел для парового отопления
Важно знать, что параметры мощности подбираются в зависимости также и от того, каковы условия климата в конкретном регионе проживания.
Может, там достаточно ранняя весна, а возможно, что метель бушует 11 месяцев в году. А ведь от мощности зависит температура в помещении. Если маленькая мощность – то будет прохладно. А если используется много мощности — то топлива потребуется значительно больше, чем нужно.
С мощностью уже понятно, а что используется еще? При выборе котла учитывают следующее:
- Чем будет топить – дровами, углем, газом и т.д.
- Можно ли будет получить горячую воду не только для отопления, но и для других целей.
Давление в котле в среднем составлять 6 атм и не должно слишком отличаться от этой цифры.
Трубы для отопления
Пар создает в системе повышенные температуры. Понятно, что в таких условиях трубы из синтетики применять нельзя, ведь они могут даже лопнуть. Поэтому, когда встает вопрос, паровое отопление своими руками, немаловажен правильный выбор труб.
- Трубы из стали. Чтобы установить их, нужно приобрести оборудование для сварки, а также обладать некоторыми познаниями в этом деле. Ну или пригласить опытного сварщика. Такие трубы прочны, выдерживают высокое давление, но их очень «любит» коррозия, и в этом их главный недостаток.
- Магистраль с медными трубами. Для того, чтобы сделать монтаж этих труб, необходима пайка, которая дорого стоит.
- Оцинкованные трубы. Не ржавеют, соединяются просто – резьбой. Однако не из дешевых.


Трубопровод для системы отопления
Длина труб имеет большое значение для схемы отопления. Можно попытаться изготовить схему самостоятельно или пригласить знакомого мастера, обладающего большим опытом в решении данных вопросах.


Медный трубопровод
Возможные затраты
Итак, схема нарисована, все вентили, краны, трубы на ней именно в том месте, где должны быть. Теперь нужно определить, сколько денег потребует создание паровой отопительной системы. Но это возможно только в том случае, когда конкретно известно, каковы условия работ, их объем, какие трубы использованы будут, что еще будет включено в систему.
Стоит заметить, что по цене паровая система будет все-таки ниже, чем обычная, но ее запрещено использовать в помещениях, где проживают люди.
Правила монтажа
Теперь известно, где и что будет лежать, проходить, крепиться. Исходя из составленной схемы, приступают к установке системы. Возможно, нужно будет приготовить поверхность там, где будут стоять радиаторы. Необходимо знать все правила по подключению электричества и воды. Следуя им, а также инструкциям по установке, осуществляют монтаж котла. После этого закрепляют радиаторы на предназначенных для них местах. Очередь за трубами –их прокладывают, ставят клапаны, приборы, арматуру.
Паровая система отопления применяется для обогрева гаражей, офисов, складов, магазинов и т.д. Однако по действующим нормам в жилых помещениях устанавливать его нельзя.