

Котел Медведь KLZ является аналогом котла Медведь KLOM с встроенным бойлером на 90 литров. Помимо этого, в котле уже имеется два циркуляционных насоса на отопление и ГВС, а так два расширительных бака на 4 и 10 литров. К нему так же возможно установить погодозависимую автоматику и устройства работающие по шине eBus. Эдакий вариант 2 в 1 для тех, кто не хочет готовое решение с постоянным запасом горячей воды. По производительности ГВС, он отлично подойдет для семьи из 2-3 человек.
Как и во всей линейке Медведь, модель KLZ может работать на сжиженном газе.
Нагрев ГВС
Приготовление горячей воды производится в овальной емкости с нагревательным элементом вида змеевик. Как и в бойлерах косвенного нагрева, по змеевику протекает теплоноситель, который нагревает воду в бойлере. Материал внутреннего покрытие бака — эмаль. По традиции в бойлере имеется магниевый анод, для предотвращения коррозии. Теплоизоляция выполнена из полиуретана. Так же, в котле уже установлен расширительный бак на 4 литра для контура ГВС.
Данный котел имеет выход патрубка для рециркуляции ГВС, что позволяет предоставлять горячую воду сразу после открытия крана.
Технические характеристики котла Медведь KLZ R17
| Модельный ряд | 20 KLZ 17 | 30 KLZ 17 | 40 KLZ 17 | 50 KLZ 17 |
|---|---|---|---|---|
| Артикул | 0010005748 | 0010005749 | 0010005750 | 0010005751 |
| Вариант размезещения | Напольный | |||
| Электронезависимый | Нет | |||
| Подходит для открытых систем отопления | Нет | |||
| Подходит для закрытых систем отопления | Да | |||
| Кол-во контуров | Два (встроенный бойлер) | |||
| Тип топлива | Газ | |||
| Работа на природном газе | G20 | |||
| Работа на сжиженном газе | G31 | |||
| Тип горелки | Модулирующая, инжекторная | |||
| Режимы отопления | Зима-Лето | |||
ТЕПЛООБМЕННИК МЕДВЕДЬ KLZ |
||||
| Материал | Чугун | |||
| Количество секций | 3 | 4 | 5 | 6 |
КОНТУР ОТОПЛЕНИЯ |
||||
| Камера сгорания | Открытая | |||
| Тип розжига | Электророзжиг | |||
| Полезная мощность, (газ) | 17 кВт | 26 кВт | 35 кВт | 44,5 кВт |
| Ёмкость котла | 9,1 литров | 11,6 литров | 14,1 литров | 16,6 литров |
| КПД, % | 90 | |||
| Рабочее давление | 0,5 — 3,0 Атм | |||
| Расширительный бак | 10 литров | |||
| Диапазон температуры на подающей линии | от 45 до 85 ℃ | |||
КОНТУР ГВС |
||||
| Накопительный бойлер | 90 литров | |||
| Расширительный бак | 3,9 литра | |||
| Диапазон температуры ГВС, ℃ | 40-70 | |||
| Расход ГВС | 16,5 л/мин | 18,0 л/мин | 18,5 л/мин | 19 л/мин |
| Рабочее давление, Атм | 1,0 — 6,0 | |||
| Диапазон температуры горячей воды | от 40 до 70 ℃ | |||
КОНТУР ПОДАЧИ ГАЗА |
||||
| Давление природного газа на входе | 20 мБар | |||
| Давление сжиженного газа на входе | 37 мБар | |||
| Максимальное потребление природного газа при номинальной мощности | 2,0 м³/ч | 3,1 м³/ч | 4,1 м³/ч | 5,2 м³/ч |
| Максимальное потребление сжиженного газа при номинальной мощности | 1,6 кг/ч | 2,0 кг/ч | 3,3 кг/ч | 3,8 кг/ч |
ЭЛЕМЕНТЫ ПАНЕЛИ УПРАВЛЕНИЯ |
||||
| Жидкокристаллический дисплей | Да | |||
| Индикация температуры | Да | |||
| Индикация неисправностей | Да | |||
| Индикация давления | Да | |||
ТЕРМОРЕГУЛЯТОРЫ ДЛЯ МЕДВЕДЬ KLZ |
||||
| Exabasic | Совместим | |||
| Exacontrol | Совместим | |||
| Thermolink B | — | |||
| Thermolink P | Идеально совместим | |||
| Thermolink S | Совместим | |||
| Exacontrol 7 | Совместим | |||
| Kromschreder E8.4401 | — | |||
| Панель управления NO | — | |||
БЕЗОПАСНОСТЬ КОТЛА МЕДВЕДЬ KLZ |
||||
| Датчик тяги | Да | |||
| Термостатический регулятор | Нет | |||
| Контроль пламени | Да | |||
| Предохранительный клапан | Нет | |||
| Тепловой предохранитель | Да | |||
| Защита от замерзания | Да | |||
| Защита насоса от заклинивания | Да | |||
ПОДКЛЮЧЕНИЕ К ЭЛЕКТРОСЕТИ |
||||
| Напряжение / Частота | 220В/50Гц (однофазное) | |||
| Потребление | 0,02 кВт | |||
| Класс защиты | IP 40 | |||
Габариты и патрубки подключения котла Медведь KLZ
Площадка под котел должна быть достаточно прочной, чтобы выдержать вес котла и не должна быть скользкой. Если площадка из горючего материала — необходимо подложить негорючую подложку, которая будет выступать за габариты котла не менее, чем на 10 см.


- A – Патрубок входа ХВС 3/4“
- B – Патрубок циркуляции ГВС 3/4“
- C – Патрубок выхода ГВС 3/4“
- D – Обратная линия системы отопления 1“
- E – Подающая линия системы отопления 1“
- F – Подсоединение газа 3/4
| Модель котла | а | b | e | ød — дымоход | Вес, кг | Высота, мм | с — Ширина, мм | Глубина, мм |
| 20KLZ | 327.5 | 191 | 177.5 | 130 | 140 | 1385 | 505 | 730 |
| 30KLZ | 285 | 106 | 220 | 130 | 155 | 1385 | 505 | 730 |
| 40KLZ | 242.5 | 21 | 262.5 | 150 | 180 | 1385 | 505 | 730 |
| 50KLZ | 285 | 21 | 305 | 180 | 205 | 1385 | 590 | 730 |
В комплекте с котлом идут регулировочные ножки для повышения устойчивости и возможности балансировки котла.
Рабочая схема котла KLZ


Обратите внимание, что турбонадставка не входит в комплект и её необходимо приобретать дополнительно. Так же, при покупке турбонадставки, нужно обязательно брать под вашу версию котла. Турбонадставки от модели KLOM R17 не подходят к более ранним версиям котла.


Если хотите узнать какая турбонадставка подойдет для вашей версии котла — напишите модель котла в комментариях и я помогу вам выбрать подходящую.
Из плюсов стоит отметить, что в комплекте с котлом идет арматура безопасности — предохранительный и обратные клапаны.
Конуструктивные особенности котла Медведь KLZ


Из основных особенностей — это обновленный дизайн — информативный жк дисплей и кнопки управления. Так же, была добавлена возможность работы по шине eBUS.
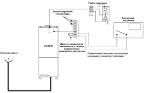
Схема подключения котла Медведь KLZ
Да данной схеме идет подключение котла к комнатному терморегулятору, датчику наружной температуры и турбо-надставке.


При покупке данного котла — не поскупитесь и приобретите комнатный регулятор и датчик наружной температуры (артикул 0020040797). В этой связке, котел выходит на новый уровень комфорта, а стоимость данного оборудования всего от 3000 до 8000 тысяч, в зависимости от модели терморегулятора.
Инструкции на котел Медведь KLZ
ВЕРСИЯ KLZ R17
»Сертификат на котел Медведь KLZ и турбонадставки R17
»Инструкция по установке и обслуживанию на котел Медведь KLZ R17
»Инструкция по установке турбонадставки на котел KLZ R17
ВЕРСИЯ KLZ R16
» Инструкция по установке и обслуживанию на котел Медведь KLZ R16
» Инструкция по установке турбонадставки на котел KLZ R16